更新时间:2026-01-23
浏览次数:365
地铁隧道环境传感器实时监测温湿度风速风向等数据,为天气预报提供精准支持【FT-WQX5】地铁隧道气象传感器是专为地铁隧道封闭环境设计的精准监测设备,核心作用是守护列车运行与乘客出行安全,补隧道内气象环境监测的空白。

一、产品简介
我司作为专业研发生产销售微型气象仪的企业,一直致力于微型气象仪和气象环境解决方案推广应用。具有完整的生产链、实力雄厚的技术团队和全面的营销团队,我们研发生产的超声波风速风向仪、五要素微气象仪、六要素微气象仪和小型自动气象站等气象产品,已广泛应用到气象监测、城市环境监测、风力发电、航海船舶、航空机场、桥梁隧道等领域,客户遍布全国各地,并取得了良好的社会效益和经济效益。
与传统的微型气象仪相比,我司产品克服了对高精度计时器的需求,避免了因传感器启动延时、解调电路延时、温度变化而造成的测量不准问题。
WQX5型五要素微气象仪创新性地将风速、风向、温度、湿度、大气压力通过一个高集成度结构来实现,可实现户外气象参数24小时连续在线监测,通过数字量通讯接口将五项参数一次性输出给用户。
二、产品特点
1、顶盖隐藏式超声波探头,避免雨雪堆积的干扰,避免自然风遮挡☆
2、原理为发射连续变频超声波信号,通过测量相对相位来检测风速风向☆
3、风速、风向、温度、湿度、大气压力五要素一体式☆
4、采用传感技术,实时测量,无启动风速☆
5、抗干扰能力强,具有看门狗电路,自动复位功能,保证系统稳定运行
6、高集成度,无移动部件,零磨损
7、免维护,无需现场校准
8、采用ASA工程塑料室外应用常年不变色
9、产品设计输出信号标配为RS485通讯接口(MODBUS协议);可选配232、USB、以太网接口,支持数据实时读取☆
10、可选配无线传输模块,最小传输间隔1分钟
11、探头为卡扣式设计,解决了运输、安装过程松动不准的问题☆
三、技术参数
1、风速:测量原理超声波,0~60m/s(±0.1m/s)分辨率0.01m/s;
2、风向:测量原理超声波,0~360°(±2°);分辨率:1°;
3、空气温度:测量原理二极管结电压法,-40-80℃(±0.3℃),分辨率0.01℃;
4、空气湿度:测量原理电容式,0-100%RH(±3%RH),分辨率:0.01%RH;
5、大气压力:测量原理压阻式,300-1100hpa(±0.25%),分辨率0.1hpa;
6、功率:0.72W
7、生产企业具有ISO质量管理体系、环境管理体系和职业健康管理体系认证☆
8、生产企业具有计算机软件注册证书☆
9、生产企业为3A信用企业☆
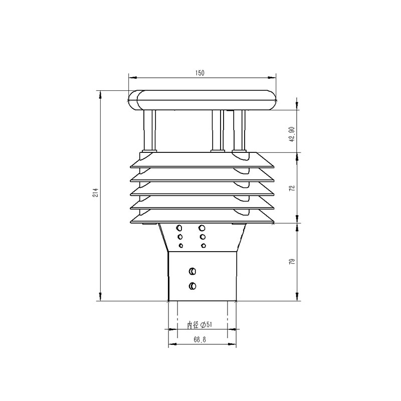
四、产品尺寸图
五、产品结构图
1、控制电路
2、指北箭头
3、超声波探头
4、百叶箱
5、温度、湿度、气压监测位置
6、底部固定法兰
六、产品接线定义
| 定义 | 备注 | |
| VCC | 电源正 | DC12V |
| GND | 电源地 | |
| 485A | RS485A |